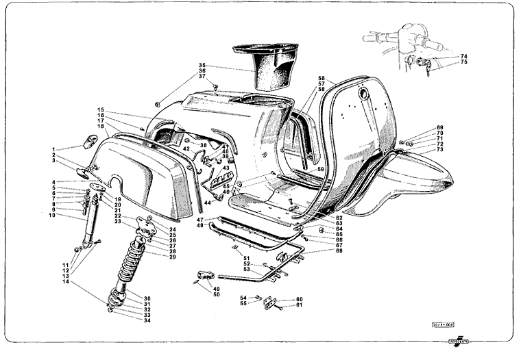
Explosionsskizzen Lambretta Innocenti - Junior50 - Junior100 - Junior125

 


 Fahrgestell und Federung 1.Teil

Junior50 - Junior100 - Junior125 - Fahrgestell und Federung 1.Teil

 Ersatzteilelisten Lambretta Innocenti - Junior50 - Junior100 - Junior125

 


 Fahrgestell und Federung 1.Teil

Junior50 - Junior100 - Junior125 - Fahrgestell und Federung 1.Teil

  zurückblättern

zum Seitenanfang  Seitenanfang  zum Seitenanfang

Inhaltsverzeichnis


weiterblättern 

Fenster schließen

© 2000-2004 Cesare Marti // © disegno/realizzazione/aggiornamenti e passione: stepha.