Explosionsskizzen Lambretta Innocenti - Lambretta 2. Serie LI 125-150 und TV 175

 


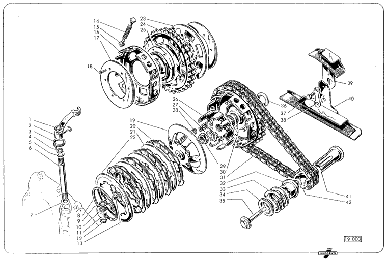
 Kupplung

2. Serie LI 125-150 und TV 175 - Kupplung

 Ersatzteilelisten Lambretta Innocenti - Lambretta 2. Serie LI 125-150 und TV 175

 


 Kupplung

2. Serie LI 125-150 und TV 175 - Kupplung

  zurückblättern

zum Seitenanfang  Seitenanfang  zum Seitenanfang

Inhaltsverzeichnis


weiterblättern 

Fenster schließen

© 2000-2004 Cesare Marti // © disegno/realizzazione/aggiornamenti e passione: stepha.